消防對夾(jiá)蝶閥

産品型(xíng)号:D71X

公稱通徑(jing):DN50~DN1000(2"~40")

工(gōng)作溫度:0℃~85℃

适用(yòng)介質:水、泡公和我做爽死❌我死了A片🌈沫(mo)混合液

閥體(ti)材質:球墨鑄(zhù)鐵



産品詳情(qing)

産品概述

消防對夾(jia)蝶閥(圖1)

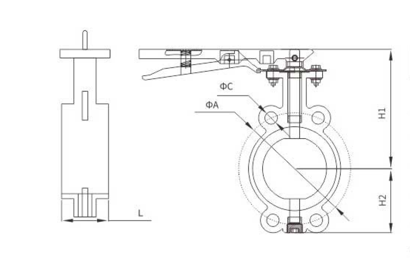
主要(yao)外形連接尺(chi)寸

DN

ΦA-ΦC

L

H1

H2

ZSDF 7-Q-50-D71X

50

110-16

125-16

70

ZSDF 7-Q-65-D71X

65

145-18

44

168

75

ZSDF 7-Q-80-D71X

80

160-18

46

177

90

ZSDF 7-Q-100-D71X

100

180-20

52

192

105

ZSDF 7-Q-125-D71X

125

210-24

51

115

ZSDF 7-Q-150-D71X

150

240-25

55

219

131


産品(pǐn)推薦