産品詳情(qíng)
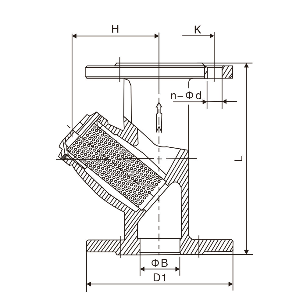
主要外形尺(chi)寸
|
DN(mm) |
NPS(in) |
L |
H |
K |
D1 |
n-Φd |
|
3 |
305 |
96 |
160 |
200 |
8-18 |
|
|
100 |
4 |
314 |
220 |
180 |
220 |
8-18 |
|
125 |
5 |
398 |
235 |
210 |
245 |
|
|
150 |
6 |
470 |
250 |
280 |
8-22 |
|
|
200 |
8 |
543 |
295 |
産品推薦
蘇公網安備 32010202011315号